Main technical parameters
| category | Serial number | Specification | Feeding size(mm) | Discharging size(mm) | capacity (m³/h) | Electric motor | Weight(t) | |
| Number of po | Power(KW) | |||||||
| Hammercrusher | 1 | PCφ400×300 | ≤200 | ≤25 | 2-10 | 4 | 11 | 0.5 |
| 2 | PCφ600×400 | ≤250 | ≤30 | 4-22 | 4 | 22 | 1.2 | |
| 3 | PCφ800×600 | ≤250 | ≤35 | 8-40 | 4 | 55 | 1.9 | |
| 4 | PCφ1000×800 | ≤350 | ≤35 | 10-50 | 4 | 75 | 3.5 | |
| 5 | PCφ1000×1000 | ≤350 | ≤35 | 12-55 | 4 | 90 | 5.5 | |
▲ Use and application
1.Applied to the industries like railway,road,cement,building material,refractory,ceramic and chemical industry to carry out middle breaking and fine breaking to the raw materials.
2.The machine mainly applies to crush limestone,regular rock,dolomite bole,ground phosphate rock,gypsum,glass, manganese mine,refractory material,coke and others,It is also available to crush whitewashing stones,water stone, building sand,fine coke and table salt with different fineness together with grate bar according to consumers’ need.3.The crushing of this machine belongs to hammer crushing and the compression strength of crushing material is below or equal to 1500kg/cm2.
1.The machine case is welded by medium carbon steel plate with many reinforcing steel bars.It is divided into two parts:case cover and base along rotor axis center line.Thus it is easy to be disassembled.
2.All the wall boards and impact plates in the case are made of 30#steel plate,which mainly proposes to extend the use life of case.
3.Hammer head is forged with 55-60# tyre steel and the hardness can reach HRC50°or above after heating treatment.
4.Each machine has two sets of bearings,among which the bearing type of A600×800 crusher is 319,the bearing type of 600×400 crusher is 316,the bearing type of 400×300 crusher is 312,and the bearing type of 800×1000 crusher is 3619.5.Generally,the crusher(size less than 600×400)is driven by the V-belt.Users also can adopt plate belt or direct link according to requirements.
1.The proper landform should be selected according to raw materials before installation.
2.The machine is fixed on the concrete by foundation bolt.Minerals discharge channel should be remained when the foundation is designed.Its inclination should not be less than 50°,but can be decided by users according to feeder and conveyor.
3.Electrical motor should be installed in the opposite direction of feed-in opening.
4.The position of electrical equipment should be made for easy use.
5.First check whether all the fasteners are firm completely before test run.
6.Examine whether the metals or other non-broken sundries fall in the machine.
7.Examine whether bearing has proper lubricant.8.Turn rotor by hand and obverse whether it is normal and the friction appears.If there is no obstruction for movement,it is allowed to run with no load.If there is no noise and swing,and the temperature of bearing doesn’t exceed 30℃ after the test run for half an hour,the load test can be made.
MAINTENANCE AND CAUTIONS
1.Regularly check the tightening conditions of all fasteners.
2.Examine the grate bar at regular intervals.If the block appears,the clearing work should be made immediately.
3.Examine attentively the abrasion and wear of break-out parts and replace the worn fittings momentarily.
4.Feed materials evenly to avoid overload.
5.It is forbidden to put unbroken materials into machine.
6.Any adjustment,clean-up and maintenance are forbidden when the machine is running to avoid dangers.
7.If malfunction occurs during the machine running,the machine should be stopped and repaired immediately then the work can be continued.
8.The materials in machine must be completely put out when the machine is stopped and the power supply must be switch off when the repair is made.9.The timely lubricant should be added for bearing and the lubricant should be replaced once every three months. When the lubricant is replaced,the bearing should be cleaned carefully with clean gasoline or kerosene.
MALFUNCTION AND ELIMINATING METHOD
| Malfunctions | Reasons | Settlement method |
| The vibration of crusher increases | 1.Hammer head is abraded and worn in different degrees and the rotor loses balance.2.The break of hammer head results in the unbalance of rotor and hammer head. | Replace hammer head and readjust the weight of hammer head |
| Output reduces | 1.Feeding uneven2.Grate bar is blocked3.Hammer head is seriously abraded and worn | 1.Adjust feeding structure2.Clean grate bar3.Replace hammer head |
| The knocking sound produces in crusher | 1.Unbroken materials enter crusher2.Cover sheet looses and hammer head beats machine parts. | 1.Stop machine and clean crushing cabinet.2.Examine the tightening conditions of cover sheet and the gap betweenhammer head on rotor and grate bar. |
| Bearing is over hot | 1.Lubricant is not enough2.Bearing is worn3.The vibration of machine is too great | 1.Increase lubricant2.Clean bearing and add clean lubricant3.Replace bearing4.Examine hammer head and adjust balance. |
| Discharge piece is big | 1.Grate breaks2.Grate looses | Examine and calibrate then replace broken grate bar |
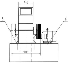
400×300 HAMMER CRUSHER FOUNDATION DRAWING

1.This drawing is used only for reference when users design foundation.
2.The size of H and the degree of a can be decided users according to the specific conditions.But the size of H cannot be less than 400mm and the degree of a must be more than 50° .
3.The size of 1200 is used for reference when users select the length of V-belt.Users can self-decide according to specific conditions.
4.Motor track and foundation bolt are prepared by users.
Note:The dimensions of the crusher(L×W×H)=900×670×860 Feed-in opening size(L×W)=320×210
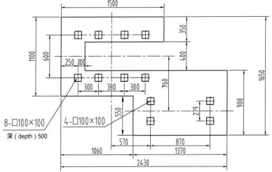
600×400 HAMMER CRUSHER FOUNDATION DRAWING



Note:the foundation height shall be fixed by the actual earth condition and material discharging requirement.Under the horizontal installation,depth of foundation shall not less than 600.
| 6 | foundation bolt | 4 | M20×400 |
| 5 | foundation bolt | 8 | M20×500 |
| 4 | motor track | 2 | |
| 3 | motor | 1 | Y180L-422KW |
| 2 | V-belt | 6 | B型2800 B type2800 |
| 1 | hammer crusher | 1 | PCφ600×400 |
| S/N | Name | Quantity | Remarks |


1.This drawing is used only for reference when users design foundation.
2.The size of H and the degree of a can be decided users according to the specific conditions.But the size ofH cannot be less than 400mm and the degree of a must be more than 50° .
3.The size of 1600 is used for reference when users select the length of V-belt.Users can self-decide according to specific conditions.
4.Motor track and foundation bolt are prepared by users.


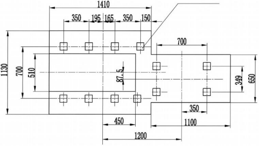
Note:
1.This drawing is used only for reference when users design foundation.
2.The size of H and the degree of a can be decided users according to the specific conditions.But the size of H cannot be less than 400mm and the degree of a must be more than45° .
3.The size of L is used for reference when users select the length of V-belt.Users can self-decide according to specific conditions.
4.Equipped motor is Y280S-4.